• Модель и моделирование
  • Моделирование радиоэлектронных устройств из радиокубиков
  • Моделирование робото-технических радиоэлектронных устройств из модулей
  • 3. Моделирование – экспериментальная основа роботостроения

    Пытаться конструировать радиоэлектронные системы роботов, не представляя хорошо их теории и физических основ, – это значит работать с очень низким коэффициентом полезного действия. Создать какую – либо систему робота, не понимая её сути, невозможно. Работа должна строиться на прочной основе теоретических знаний – только тогда конструктор с каждой новой разработкой будет расширять диапазон своих знаний и переходить к новым рубежам творчества.

    Партией и правительством перед народом Советского Союза поставлена важнейшая задача – всемерное ускорение научно – технического прогресса. Это относится не только ко взрослым, но и к школьникам. Перед юными техниками стоит задача: в короткие сроки освоить элементы теории радиоэлектроники, микросхемотехники и робототехники. Всё это – новейшие сложные области техники, без их знания немыслим современный знающий инженер, техник и зачастую даже квалифицированный рабочий. Но если изучать их старыми методами – только по книгам, – то без определённой системы достичь чего – либо существенного будет трудно. Как же быть?

    Учёные утверждают, что лучшим способом освоения теории является эксперимент. С каких же экспериментов лучше всего начинать?

    К примеру, в этом вам может помочь серийно выпускаемый промышленностью конструктор «Радиокубики». Если на монтаж с помощью пайки и наладку громкоговорящего приёмника у ребят уходит иногда до двух – трёх месяцев, то для сборки такого же приёмника из магнитных радиокубиков нужно всего три – пять минут. Три минуты вместо трёх месяцев! Вот вам и пример ускорения научно – технического прогресса.

    Пользуясь радиокубиками, вы изучите теоретические основы радиоэлектроники, ознакомитесь с различными радиодеталями, их назначением и свойствами.

    Затем можно будет последовательно переходить к следующим конструкторам, выпускаемым промышленностью: модульному для сборки сложных радиоэлектронных систем из простейших типовых узлов – модулей; для изучения логических основ построения ЭВМ и знакомства с микросхемотехникой; для сборки и исследования основных каналов ЭВМ.

    Обо всех этих конструкторах мы ещё расскажем, а пока ответим на вопрос: что же это такое – моделирование и как оно применяется в практике современного технического конструирования?

    Модель и моделирование

    Современные научно – технические исследования и промышленное строительство ведутся с огромным размахом, и на них затрачивается много средств (вспомним хотя бы о космических исследованиях). Поэтому ошибки или просчёты могут привести к бесполезной грате материально – технических и людских ресурсов. Этого можно избежать, если предварительно изучить процессы и явления, протекающие в реальном объекте, с помощью модели. В технике моделью называют уменьшенное или упрощённое подобие интересующего нас объекта, для которого характерны процессы, сходные с процессами, происходящими в этом реальном объекте. Изучение свойств модели даёт ориентировочное представление о свойствах и возможностях объекта.

    В качестве моделей иногда применяют устройства, имеющие физическую природу, отличную от природы оригинала.

    Недаром В. И. Ленин в своей работе «Материализм и эмпириокритицизм» писал: «Единство природы обнаруживается в „поразительной аналогичности“ дифференциальных уравнений, относящихся к разным областям явлений» [В. И. Ленин. Полн. собр. соч. Т. 18. С. 306.].

    Существуют аналогии между законами, выражающими различные физические явления. Например, аналогичны закон Ома для электрического тока, закон Фурье для теплового потока и закон Дарси для скорости фильтрации жидкости через пористую среду. На основе метода аналогии и создают модель. В ней известные процессы, все параметры которых легко поддаются измерению, описываются той же системой уравнений, что и изучаемые процессы в оригинале.

    Современные любительские конструкции роботов содержат множество сложных радиоэлектронных систем, предварительную отработку которых также целесообразно проводить на моделях. В качестве технического средства моделирования различных систем роботов можно рекомендовать радиокубики. Мы уже их упоминали, а теперь расскажем о них подробнее.

    Даже в сравнительно простых имитаторах речи автоматов («электронные сирены» и др.) или «речи» животных (пение птиц, лай собаки и др.), содержащих сотню и более деталей, требуемое подобие сигналов схемы естественной «речи» животных или машин можно получать, меняя параметры трёх – пяти различных деталей. Вот тут – то и приходят на помощь радиокубики. Они позволяют быстро и весьма наглядно решать основные задачи радиоэлектроники – от сборки простейшего детекторного приёмника до различных импульсных устройств и элементов электронных вычислительных машин. Для любителей – роботостроителей такие кубики очень удобны. Они есть в продаже, но их можно сделать и самостоятельно. Из кубиков собирают самые различные устройства – от простейшего детекторного приёмника до громкоговорящего приёмника или даже модели нейронов мозга.

    Моделирование радиоэлектронных устройств из радиокубиков

    Радиокубики – это небольшие пластмассовые коробки, в которые вмонтированы различные радиодетали и магниты, притягивающие кубики один к другому и соединяющие их в единое работающее устройство (рис. 10). На каждом кубике изображено условное обозначение содержащихся в нём деталей. Имея набор таких кубиков, можно в считанные минуты собрать из них самые различные устройства. Их собирают на металлической пластине, являющейся одновременно общим проводом устройства. Источником питания служат батарея «Крона», или две батареи 3336, или сетевой блок.



    Рис. 10. Набор радиокубиков

    В конструкции радиокубиков применён минимум деталей. На боковых сторонах кубиков установлены контактные пластины из нейзильбера, к которым изнутри кубиков припаяны проводники или радиодетали. За контактными пластинами расположены ферритовые магниты.

    Изучение электроники на кубиках начинают с простейших электрических устройств. На этом этапе знакомятся с назначением различных радиодеталей, RC – цепями, транзисторами и их свойствами. Затем можно перейти к освоению мультивибратора, триггера и логического элемента.

    Собрав устройство по схеме на рис. 11, можно познакомиться с основными свойствами транзистора – главного элемента современной электроники. Управляюший электрод транзистора – база. Давайте посмотрим, как слабый ток базы ib влияет на мощный коллекторный ток ik. Включим в базовую цепь высокоомный телефон ВА1, а лампу HLl – в цепь коллектора. Нажмём на кнопку SB1 и прикоснёмся несколько раз к выводу базы транзистора выводом телефона. При этом мы замыкаем цепь базы – загорается лампа, и в телефоне слышен щелчок. Транзистор в момент касания открывается и проводит ток. Когда цепь базы оборвана (ток базы равен нулю), лампа не горит, значит, нет и тока коллектора – транзистор закрыт.



    Рис. 11. Изучаем свойство транзистора

    Рис. 12. Эксперимент с гальваническим элементом

    Если в цепь базы вместо телефона включить резистор сопротивлением 10 кОм, смонтированный в угловом кубике, можно наглядно проиллюстрировать работу транзистора как электронного выключателя. Когда цепь базы замкнута, транзистор открыт и коллекторный ток зажигает лампу. При разомкнутой базовой цепи транзистор закрыт и лампа не горит. Продолжаем изучать свойства транзистора. На этот раз мы увидим, как самодельный гальванический элемент зажигает лампу (рис. 12).

    Соедините с общим проводом небольшую пластину из латуни, на неё положите клочок бумажной салфетки, смоченный уксусом. Поверх салфетки поместите небольшую пластину из алюминиевой фольги от конфеты. Получился химический источник тока G1, в котором латунь служит положительным полюсом, а фольга – отрицательным. Разумеется, напряжение и ток этого элемента настолько малы, что никакая лампа от него не загорится. Но он способен управлять транзистором – усилителем постоянного тока. Наш элемент обеспечит базовый ток, а транзистор коллекторным током зажжёт лампу, которая будет получать питание от источника коллекторного тока GB1.

    Вот как это произойдёт. Нажмите на кнопку SB1 и выводом базы транзистора дотроньтесь до фольги – отрицательного полюса элемента G1 – лампа зажжётся. Таким образом, с помощью транзистора даже слабому элементу удалось зажечь лампу.



    Рис. 13. Радиоприёмник из кубиков

    И в заключение – простейший радиоприёмник. Для сборки радиоприёмника (рис. 13) понадобится колебательный контур – конденсатор С2 и катушка L1. Каркас катушки склеивают из бумаги на отрезке круглого стержня длиной 40…45 мм и диаметром 8 мм из феррита 400НН или 600НН. Чтобы приёмник мог принимать радиостанции средневолнового диапазона, намотайте на каркас 80 витков эмалированного провода диаметром 0,15…0,18 мм.

    Моделирование робото-технических радиоэлектронных устройств из модулей

    Типовые модули являются основой всех промышленных радиоэлектронных разработок. В этом отношении наиболее убедителен пример конструирования современных ЭВМ. Первые ламповые ЭВМ состояли из множества типовых модулей. Транзисторные ЭВМ или, как их называют, ЭВМ второго поколения (серия «Минск» и др.) также собраны из транзисторных модулей. Для удобства конструирования ЭВМ второго поколения было разработано несколько серий типовых радиоэлектронных модулей.

    Вывод: нужно осваивать модульное конструирование! Это современно, экономично и удобно.

    Модульный конструктор. Радиокубики помогли нам понять назначение и свойства различных радиодеталей и транзисторов. Из кубиков можно собирать отдельные простые действующие устройства: мультивибраторы, ждущие мультивибраторы, триггеры и т.п. Но это только кирпичики более сложных радиоэлектронных устройств различного назначения.

    Так же как многоэтажный современный дом собирают из отдельных простых элементов, так и самые сложные электронные аппараты, и робототехнические устройства в том числе, собирают из отдельных модулей – мультивибраторов, триггеров и т. п. Именно из таких модулей создавали ЭВМ, а мы из них будем собирать различные занимательные конструкции. Модули помогут нам моделировать робототехнические системы речи, слуха, зрения.

    Промышленность выпускает модульный конструктор (рис. 14), состоящий из нескольких модулей. В первую очередь нам потребуются: модуль А – логический элемент ЗИ – НЕ с открытым выходом; модуль Б – маломощный логический элемент ЗИ – НЕ; модуль В – триггер, составленный из двух элементов И – НЕ; модуль Г – ждущий мультивибратор; модуль Е1 – мультивибратор; модуль Е2 – управляемый мультивибратор.

    Используя модульные блоки, можно собирать модели различных устройств со звуковым выходным сигналом, которые можно будет использовать в различных робототехнических устройствах.

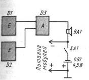
    Одно из простейших устройств такого рода – генератор звуковой частоты (рис. 15). Из схемы видно, что на входы модуля D3 поданы сигналы с двух мультивибраторов D1 и D2. Один из них, D1, вырабатывает сигнал с частотой около 2000 Гц, второй, работающий с частотой около одного герца, периодически прерывает звуковой сигнал.



    Рис. 14. Модульный конструктор А – выходной усилитель, Б – элемент ЗИ НЕ, В – триггер, Г~ждущий мультивибратор, Е1 – мультивибратор, Е2 – управляющий мультивибратор
    Рис. 15 Генератор звуковой частоты (наутофон)

    Рис. 16 Сигнальное устройство с прерывистыми сигналами

    Если дополнить этот генератор ещё одним мультивибратором (рис. 16), то можно получить сигнальное устройство, звуковые импульсы которого будут прерывистыми. Модули этого устройства такие же, как и в предыдущем, только у мультивибратора D3 конденсаторы Cl, C2 имеют ёмкость по 2 мкФ.

    Такой гудок может выполнять функции сторожевого устройства. Для этого надо отключить модуль D2, а освободившийся вход модуля D4 через пару замкнутых сторожевых контактов или тонкую сторожевую проволоку соединить с плюсовым выводом батареи GB1. При размыкании контактов или при обрыве проволоки раздастся прерывистый – тревожный сигнал. По схеме рис. 17 можно собрать гудок, тон которого будет периодически меняться.

    В тех случаях, когда необходимо ограничить время звучания гудка, устройство можно построить по схеме рис. 18. При нажатии на кнопку SB1 подаётся запускающий перепад напряжения на вход ждущего мультивибратора D1. На его входе появляется высокий логический уровень напряжения, и начинает работать управляемый мультивибратор D2. Его сигнал через логический элемент D3 поступает на динамическую головку ВА1.



    Рис. 17. Схема гудка с периодически меняющимся тоном

    Рис. 18. Схема гудка с ограниченным временем звучания

    Примером устройства, использующего одновременно и звуковую, и световую сигнализацию, может служить контрольное устройство для дежурного робота (рис. 19). Рассмотрим работу этого устройства. Задающий мультивибратор D1 периодически переключает триггер D2 в состояние, при котором на его выходе присутствует высокий уровень напряжения. Этот уровень приложен к входу логического элемента D8, нагруженного сигнальной лампой HL1. Выходной сигнал мультивибратора D6 прерывает свечение лампы, делая световой сигнал более заметным.

    С выхода триггера D2 сигнал поступает также на элемент совпадения D3. Сигнал с выхода инвертора D4 включает управляемый генератор D5. Выходной сигнал этого генератора через элемент D7 подан на динамическую головку ВА1. Поскольку на второй вход элемента D7 подан также сигнал с мультивибратора, звуковой сигнал будет прерывистым.



    Рис. 19. Схема контрольного устройства для дежурного робота

    Моделирование радиоэлектронных робототехнических устройств на микросхемах. Самыми совершенными радиоэлектронными модулями являются интегральные микросхемы, содержащие в небольшом объёме очень большое число радиодеталей. На рис. 20 показан кристалл микросхемы рядом с муравьём. Не правда ли, впечатляющее сравнение?

    Если вы хорошо усвоили все предыдущее, то сумеете работать и с микросхемами. Здесь придётся пользоваться специальным паяльником с очень тонким жалом, пинцетом и другими миниатюрными инструментами. С микросхемами надо обращаться очень аккуратно и грамотно.

    Устройства, собранные на микросхемах, как правило, не требуют налаживания и конструктивно выглядят весьма простыми. Большой популярностью пользуются микросхемы серии К155, выполненные на основе транзисторно – транзисторной логики (ТТЛ). В этой серии есть многовходовые элементы И – НЕ, триггеры, счётчики, дешифраторы, запоминающие и другие устройства.

    Чтобы помочь читателям освоить микросхемы и приступить к сознательному моделированию микроэлектронных робототехнических устройств, разработан и выпускается промышленностью «Конструктор для изучения микросхем и логических основ построения ЭВМ» (рис. 21). Он очень прост и может быть выполнен дома или в кружке робототехники. Этот конструктор позволяет на одной из самых распространённых микросхем К155 Л A3, состоящей из четырёх логических элементов 2И – НЕ, проделать десятки экспериментов.




    Рис. 20. Кристалл микросхемы и муравей

    Рис. 21 Конструктор для изучения микросхем и югических основ построения ЭВМ

    Он состоит из упомянутой микросхемы и набора резисторов, конденсаторов, светодиодов, кнопок и гнёзд. Соединяя отдельные элементы конструктора проводниками, подключаемыми к гнёздам, можно собирать на микросхеме до 30 радиоэлектронных устройств.

    Кибернетический конструктор. Выпускаемый промышленностью кибернетический конструктор (рис. 22) позволяе! собирать из микросхем серии К155 основные узлы ЭВМ и различные занимательные радиоэлектронные устройства. С помощью конструктора можно ознакомиться с функциями половинного сумматора ЭВМ, дешифратора, регистра, накопителя, счётчика, элементов памяти ЭВМ и т д. Он позволяет моделировать ряд устройств, различных робототехнических систем.



    Рис. 22 Кибернетический конструктор для изучения основных элементов и узлов ЭВМ и моделирования различных работа – технических систем.

    Принцип его построения такой же, что и у конструктора, предназначенного для изучения логических основ построения ЭВМ, но в нём предусмотрена сборка устройств, состоящих из нескольких (до четырёх) микросхем. Этот конструктор также может быть изготовлен в кружке робототехники.









     


    Главная | В избранное | Наш E-MAIL | Прислать материал | Нашёл ошибку | Верх